Je vis 7 a 8 mois par an dans ma caravane alba 350 de 2024.
Je suis quasiment jamais relié au 230v externe mais ca m'arrive.
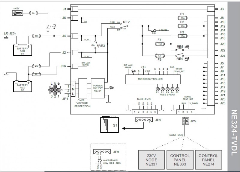
Mon projet est de mettre une batterie lifpo4 de 280 amp connecté sur le chargeur transformateur NE324_TDLC, rechargé uniquement par 400w de panneau solaire.
NE324_TDLC n' est pas compatible avec la recharge lifepo4.
Le 13 broches n'est pas connecté a la voiture (seulement 7 broches et je préfère) et je n'ai pour l'instant pas de batterie auxiliaire.
Pas besoin de moover avec cette caravane.
Cette lifepo4 serait donc pour l'utilisation de mon frigo uniquement en 12 volt a compression ,pompe eau et lumières.
J'ai quelques idées et options sur le raccordement , mais mes connaissances sur ce transfo me freine un peu et j' en appelle donc a votre aide.
Sur les conseils de nordelectronica avec qui j'ai un peu communiqué je peus debrancher le SOC 230 v,ce qui supprime la recharge par 230v . Super c'est déjà ça.
J'ai donc 2 options :
- Déguiser la lifepo4 en batterie voiture et après contact : sur J4 et J6 .
- La brancher sur J2 et J26 .
J'aimerai savoir si je ne connecte pas J6 dans la 1ere config ou J26 dans la 2eme , cela supprimerai uniquement la fonction de chargeur de batterie et quelle solution serait la plus sécuritaire et efficace pour le frigo et moi-même

Avec les connaisseurs que j'ai vu sur ce forum a propos de ces chargeurs transfo , je suis sur d'avoir de bons conseils pour cette config.
Quelle option feriez vous a ma place ?
Ma caravane étant encore sous garantie J'aimerai garder pour l'instant ce boitier. Meme si avec ces modifs......
En vous remerciant par avance et espérant que le sujet puisse en interresser beaucoup.