Du coup je ne vais pas tirer de ligne dans mon Lodgy.
Je me suis dit pourquoi faire compliqué quand un choix plus rationnel se présente.
En effet, je n'ai acheté cette caravane qu' au printemps et pas vraiment investi, j'ai remonté rapidement mon mover Reich d'occasion qui équipait la caravane précédente.
Installation provisoire pour ce qui concerne le boitier et la batterie dans le coffre avant, comme le gaz et la batterie ne font pas bon ménage, la batterie voyageait dans le coffre du Lodgy. et au besoin, le temps de la manœuvre je la déposais dans le coffre avant de la caravane, ce qui supposait que je l'ai chargée avant de partir et de me balader aussi avec un chargeur 12V.
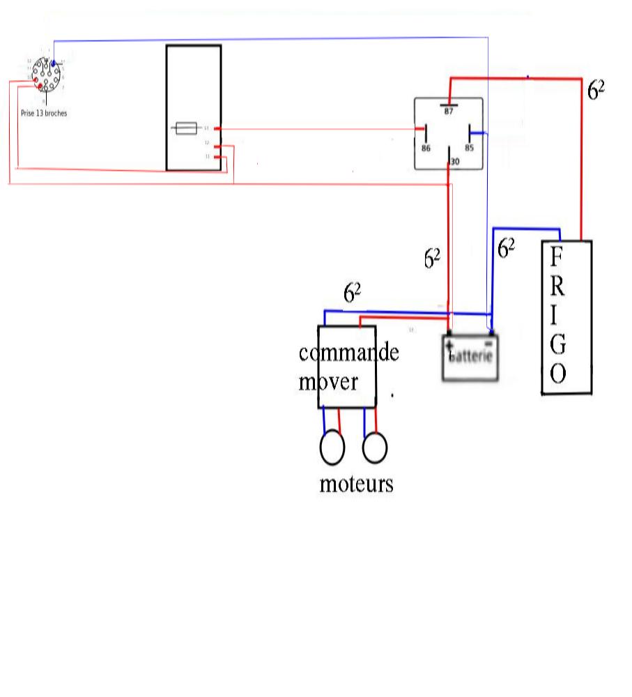
J'ai donc décidé de déporter l'ensemble boitier mover et batterie sous penderie, donc dans ma caravane à côté du frigo.
Ce qui présente l’avantage de pouvoir alimenter le frigo en 12 volts par la batterie à moins d’un mètre de câblage en 6² et de pouvoir recharger cette batterie en roulant.
Je récupère le 12V APC au tableau sur la sortie prévue pour le réfrigérateur sur d’autres séries derrière un fusible dont il reste à déterminer le calibre.
Mon Lodgy est équipé d’une prise 13 broches et faisceau Jaeger le +APC est derrière un relais qui coupe l’alimentation batterie en dessous d’une certaine tension pour privilégier la charge batterie véhicule. Voire schéma de branchement envisagé
panne électrique
Discussion liée à l'installation électrique des caravanes et aux appareils électriques qui l'équipent (sauf les réfrigérateurs et les climatiseurs).
Modérateurs : Modérateurs, Adhérent et modérateur
Aller
- Le site Lacaravane.com et ses visiteurs
- ↳ Avis aux membres : présentons-nous ici...
- ↳ Le site La Caravane
- ↳ Règlement et mode d'emploi du forum
- ↳ Les rencontres et salons
- ↳ Association Des Rencontres Lacaravane (ARLCPA)
- ↳ Le Bar des Campeurs
- ↳ Ma caravane adaptée à ma santé : trucs et astuces
- ↳ Les animaux des caravaniers
- ↳ Sondages
- ↳ Nouvelles technologies
- ↳ Accès Internet
- ↳ Appareil photo
- ↳ GPS
- ↳ Informatique
- ↳ Musique
- ↳ Téléphone
- ↳ Télévision
- ↳ Ancien Chat (en lecture seule)
- Technique et Pratique
- ↳ Les propriétaires par marque de caravane
- ↳ Choisir sa caravane
- ↳ Posts à lire avant d'acheter une caravane
- ↳ Caravane classique à 1 essieu
- ↳ Caravane classique à 2 ou 3 essieux
- ↳ Caravane fifth wheel
- ↳ Caravane foraine
- ↳ Caravane Clipcar ou Randocar
- ↳ Caravane teardrop
- ↳ Caravane surbaissée
- ↳ Caravane pliante rigide
- ↳ Caravane pliante en toile
- ↳ Caravanes anciennes
- ↳ Acheter sa caravane à l'étranger
- ↳ Discussions multi types de caravane
- ↳ Fabriquer sa caravane
- ↳ Choisir sa voiture
- ↳ Utiliser sa caravane
- ↳ Antivols
- ↳ Assurances
- ↳ Auvents
- ↳ Caravaneige
- ↳ Carrosserie (plancher, parois, toit)
- ↳ Climatiseurs
- ↳ Décoration (intérieure et extérieure)
- ↳ Déplace caravane
- ↳ Electricité
- ↳ Eau
- ↳ Gaz
- ↳ Hivernage
- ↳ Ouvertures (baies, lanterneaux, portes)
- ↳ Porte vélos
- ↳ Réfrigérateurs
- ↳ Rénovation complète de caravanes
- ↳ Rétroviseurs et caméras de recul
- ↳ Roues
- ↳ Stabilisateurs / Anti-lacets
- Reportages et photos
- ↳ Itinéraires
- ↳ France
- ↳ Autres pays
- Les campings dans les autres pays
- ↳ Campings à l'étranger
- ↳ Allemagne
- ↳ Autriche
- ↳ Benelux
- ↳ Croatie
- ↳ Espagne
- ↳ Italie
- ↳ Maroc
- ↳ Portugal
- ↳ Royaume-Uni
- ↳ Suisse
- ↳ Autres pays
- ↳ Discussions et guides multi-pays
- Les campings en France
- ↳ Campings et tourisme en France
- ↳ Zone Nord Ouest
- ↳ 14 Calvados
- ↳ 22 Côtes d'Armor
- ↳ 27 Eure
- ↳ 29 Finistère
- ↳ 35 Ille et Vilaine
- ↳ 44 Loire Atlantique
- ↳ 49 Maine et Loire
- ↳ 50 Manche
- ↳ 53 Mayenne
- ↳ 56 Morbihan
- ↳ 61 Orne
- ↳ 72 Sarthe
- ↳ 76 Seine Maritime
- ↳ 85 Vendée
- ↳ Zone Nord Est
- ↳ 02 Aisne
- ↳ 08 Ardennes
- ↳ 10 Aube
- ↳ 21 Côte d'or
- ↳ 25 Doubs
- ↳ 39 Jura
- ↳ 51 Marne
- ↳ 52 Haute Marne
- ↳ 54 Meurthe et Moselle
- ↳ 55 Meuse
- ↳ 57 Moselle
- ↳ 58 Nièvre
- ↳ 59 Nord
- ↳ 60 Oise
- ↳ 62 Pas de Calais
- ↳ 67 Bas Rhin
- ↳ 68 Haut Rhin
- ↳ 70 Haute Saône
- ↳ 71 Saône et Loire
- ↳ 80 Somme
- ↳ 88 Vosges
- ↳ 89 Yonne
- ↳ 90 Territoire de Belfort
- ↳ Zone IDF Centre
- ↳ 18 Cher
- ↳ 28 Eure et Loir
- ↳ 36 Indre
- ↳ 37 Indre et Loire
- ↳ 41 Loir et Cher
- ↳ 45 Loiret
- ↳ 75 Paris
- ↳ 77 Seine et Marne
- ↳ 78 Yvelines
- ↳ 91 Essonne
- ↳ 92 Hauts de Seine
- ↳ 93 Seine Saint Denis
- ↳ 94 Val de Marne
- ↳ 95 Val d Oise
- ↳ Zone Sud Ouest
- ↳ 09 Ariège
- ↳ 12 Aveyron
- ↳ 16 Charente
- ↳ 17 Charente Maritime
- ↳ 19 Corrèze
- ↳ 23 Creuse
- ↳ 24 Dordogne
- ↳ 31 Haute Garonne
- ↳ 32 Gers
- ↳ 33 Gironde
- ↳ 40 Landes
- ↳ 46 Lot
- ↳ 47 Lot et Garonne
- ↳ 64 Pyrénées Atlantiques
- ↳ 65 Hautes Pyrénées
- ↳ 79 Deux Sèvres
- ↳ 81 Tarn
- ↳ 82 Tarn et Garonne
- ↳ 86 Vienne
- ↳ 87 Haute Vienne
- ↳ Zone Sud Est
- ↳ 01 Ain
- ↳ 03 Allier
- ↳ 04 Alpes de Haute Provence
- ↳ 05 Hautes Alpes
- ↳ 06 Alpes Maritimes
- ↳ 07 Ardèche
- ↳ 11 Aude
- ↳ 13 Bouches du Rhône
- ↳ 15 Cantal
- ↳ 2A Corse du Sud
- ↳ 2B Haute Corse
- ↳ 26 Drôme
- ↳ 30 Gard
- ↳ 34 Hérault
- ↳ 38 Isère
- ↳ 42 Loire
- ↳ 43 Haute Loire
- ↳ 48 Lozère
- ↳ 63 Puy de dôme
- ↳ 66 Pyrénées Orientales
- ↳ 69 Rhône
- ↳ 73 Savoie
- ↳ 74 Haute Savoie
- ↳ 83 Var
- ↳ 84 Vaucluse
- ↳ Campings GCU
