Bonjour à tous,
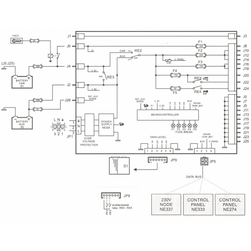
sur notre caravane, nous avons ce boitier Nordelettronica NE324 TVDL qui permet de tout centraliser les raccords électriques dans la caravane (éclairage, frigo, charge batterie, etc...)
D'origine, nous avons le strict minimum, mais des fonctions peuvent être étendues :
- écran NE333 TVDL (réf 1872.333.01)
- cable de raccordement vers l'écran (réf 0000.403.82)
Pour bénéficier de tous les éléments, il y a déjà une pompe à eau claire intégrée, avec la fonction niveau d'eau (pompe 1872.000.03) mais la partie niveau d'eau (connecteur 4 broches) n'est pas raccordé à la centrale NE324.... qui a un connecteur appelé "JP9" en 6 broches....
Alors ou trouver ce câble ?
NE324 TVDL et raccordement niveau d'eau / écran
Modérateurs : Modérateurs, Adhérent et modérateur
Re: NE324 TVDL et raccordement niveau d'eau / écran
voici les photos et notices des éléments concernés
- Papy80
- Messages : 26962
- Inscription : 07 oct. 2008 14:14
- Pays : France
- Localisation : 80/Somme /Picardie-Maritime
Re: NE324 TVDL et raccordement niveau d'eau / écran
Bonjour !
C'est sans doute différents avec le NE 324 puisque
J'ai pas d'écran indicateurs pour les différents niveaux sur mon Antarés /Style 440 de 2015
mais sur le Nordellectronica NE 213 , J26 c'est la recharge batterie par le module chargeur
J 26 est branché en direct sur le plus batterie et le moins sur la barrette des négatifs du transfo
il recharge automatiquement sur le 230 v ou sur le 12 V via la prise d'attelage
Ce cable c'est le technicien qui l'a installé il n'existe pas a l'origine sur la caravane
au catalogue il appelait ça <<option Batterie>> au tarif de 70 €

C'est sans doute différents avec le NE 324 puisque
J'ai pas d'écran indicateurs pour les différents niveaux sur mon Antarés /Style 440 de 2015
mais sur le Nordellectronica NE 213 , J26 c'est la recharge batterie par le module chargeur
J 26 est branché en direct sur le plus batterie et le moins sur la barrette des négatifs du transfo
il recharge automatiquement sur le 230 v ou sur le 12 V via la prise d'attelage
Ce cable c'est le technicien qui l'a installé il n'existe pas a l'origine sur la caravane
au catalogue il appelait ça <<option Batterie>> au tarif de 70 €

Antarés/Style 440 de 2015 PTC 1150 kg /Alko AKS 3004 /Mover Reich Economy /Store Prostor/
+ Nissan Qashqai Tekna:Blanc Lunaire 1,7 Adblue dCi 150 ch / 340 Nm a 1750 Tmn de 2019
poids tractable maxi 2000 kg poids Total roulant maxi autorisé 4020 kg
+ Nissan Qashqai Tekna:Blanc Lunaire 1,7 Adblue dCi 150 ch / 340 Nm a 1750 Tmn de 2019
poids tractable maxi 2000 kg poids Total roulant maxi autorisé 4020 kg
Re: NE324 TVDL et raccordement niveau d'eau / écran
Papi80.... j'ai contacté mon revendeur (ACL 78) qui m'ont précisé que eux n'avaient jamais eu ce type de cable entre les mains, mais qu'ils confectionnaient leur propre cable en fonction des différentes marques et modèles de capteurs de niveaux.
L'option batterie, ils nous l'avaient aussi proposée, mais à l'époque, on ne voulait pas la prendre.
A la livraison, on l'a abordé de nouveau.... il nous disait que cela se rajoutait facilement : un bac à batterie, un cable avec les bornes, un cable de température batterie , et l'installation de tout ça, disons que pour 70€ c'est pas volé non plus....
L'option batterie, ils nous l'avaient aussi proposée, mais à l'époque, on ne voulait pas la prendre.
A la livraison, on l'a abordé de nouveau.... il nous disait que cela se rajoutait facilement : un bac à batterie, un cable avec les bornes, un cable de température batterie , et l'installation de tout ça, disons que pour 70€ c'est pas volé non plus....
- Papy80
- Messages : 26962
- Inscription : 07 oct. 2008 14:14
- Pays : France
- Localisation : 80/Somme /Picardie-Maritime
Re: NE324 TVDL et raccordement niveau d'eau / écran
Bonjour !
Bin donc il n'y a plus qu'a
Mais pour la recharge batterie sur le mien il n'y avait rien de plus simple
en utilisant un cable de bonne section vers la batterie

Bin donc il n'y a plus qu'a

Mais pour la recharge batterie sur le mien il n'y avait rien de plus simple
en utilisant un cable de bonne section vers la batterie
- Pièces jointes
-
- Autark 1.jpg (30.78 Kio) Consulté 3392 fois
Antarés/Style 440 de 2015 PTC 1150 kg /Alko AKS 3004 /Mover Reich Economy /Store Prostor/
+ Nissan Qashqai Tekna:Blanc Lunaire 1,7 Adblue dCi 150 ch / 340 Nm a 1750 Tmn de 2019
poids tractable maxi 2000 kg poids Total roulant maxi autorisé 4020 kg
+ Nissan Qashqai Tekna:Blanc Lunaire 1,7 Adblue dCi 150 ch / 340 Nm a 1750 Tmn de 2019
poids tractable maxi 2000 kg poids Total roulant maxi autorisé 4020 kg